BRN Discussion Ongoing

Cgc516

Regular
Providing the volume is real, you might be right.

It looks like we have built some strong support down here, and only a few mill wall on the sell side to break through and we’ll have a breakout. Very little resistance in the early to mid 20s…

View attachment 46940
It is just showing how confident of the shorters are about the weak buy.
 
  • Like
Reactions: 1 users
Microsoft releasing a new home grown ai chip next month...............with a greek name ( like akida 😃..........)...........interesting

View attachment 46957 View attachment 46958 View attachment 46959
Is it me or is every man and their dog making alleged “AI” chips 🙄🙄🙄…..

Feels like a desperate need stay relevant for a known big software company to say they are now making “Their own AI chips”

“AI chip” term being tossed around like the footy in the last 30 seconds of an NRL grand final!

It does piss me off a fair bit as the general business community will take it as accepted face value that it is some true breakthrough AI chip from these known big IT brands when it may well just be lipstick on a pig. The business community then just buy it up on mass, just due to brand which is annoying if it really is a chip with some sexy algos.

Time will hopefully tell all.
 
Last edited:
  • Like
  • Fire
Reactions: 15 users
3 x One Zetta
But it's not happening, when the Company belongs we can rest easier, at this stage where hoping that day comes quicker
 

Tothemoon24

Top 20
IMG_7680.jpeg
 
  • Like
  • Fire
  • Love
Reactions: 20 users

Diogenese

Top 20
Microsoft releasing a new home grown ai chip next month...............with a greek name ( like akida 😃..........)...........interesting

View attachment 46957 View attachment 46958 View attachment 46959
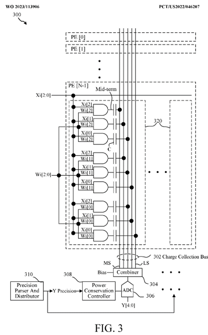
My Espacenet retro-crystal ball tells me Microsoft are wedded to analog NNs.

WO2023113906A1 ANALOG MAC AWARE DNN IMPROVEMENT 20211215

1697181235842.png





Methods, systems and computer program products are provided for improving performance (e.g., reducing power consumption) of a hardware accelerator (e.g., neural processor) comprising hybrid or analog multiply and accumulate (MAC*) processing elements (PEs). Selective variation of the precision of an array of MAC PEs may reduce power consumption of a neural processor. Power may be conserved by dynamically controlling the precision of analog to digital (ADC) output bits for one or more MAC PEs. Dynamic control of ADC output bit precision may be based on precision information determined during training and/or post-training (e.g., quantization) of an artificial intelligence (Al) neural network (NN) model implemented by the neural processor. Precision information may include a range of dynamic precision for each of a plurality of nodes of a computation graph for the Al NN model.

* MACs are the junk food of artificial intelligence.
 
  • Like
  • Love
  • Fire
Reactions: 32 users
My Espacenet retro-crystal ball tells me Microsoft are wedded to analog NNs.

WO2023113906A1 ANALOG MAC AWARE DNN IMPROVEMENT 20211215

View attachment 46964




Methods, systems and computer program products are provided for improving performance (e.g., reducing power consumption) of a hardware accelerator (e.g., neural processor) comprising hybrid or analog multiply and accumulate (MAC*) processing elements (PEs). Selective variation of the precision of an array of MAC PEs may reduce power consumption of a neural processor. Power may be conserved by dynamically controlling the precision of analog to digital (ADC) output bits for one or more MAC PEs. Dynamic control of ADC output bit precision may be based on precision information determined during training and/or post-training (e.g., quantization) of an artificial intelligence (Al) neural network (NN) model implemented by the neural processor. Precision information may include a range of dynamic precision for each of a plurality of nodes of a computation graph for the Al NN model.

* MACs are the junk food of artificial intelligence.
Hmmm thought as much - lipstick on a pig.

The big business Microsoft followers will just follow though…which is annoying as it can take away a lot of market share from the real AI chip players.

Hopefully they just stay away from the extreme edge space where Brainchip is poised to dominate.

Thanks @Diogenese
 
  • Like
  • Love
Reactions: 13 users

Shezza

Emerged
Yeah I think the only patent directly owned by PVDM is the original, filed in 2008 before BrainChip the company came into existence.
My
My Espacenet retro-crystal ball tells me Microsoft are wedded to analog NNs.

WO2023113906A1 ANALOG MAC AWARE DNN IMPROVEMENT 20211215

View attachment 46964




Methods, systems and computer program products are provided for improving performance (e.g., reducing power consumption) of a hardware accelerator (e.g., neural processor) comprising hybrid or analog multiply and accumulate (MAC*) processing elements (PEs). Selective variation of the precision of an array of MAC PEs may reduce power consumption of a neural processor. Power may be conserved by dynamically controlling the precision of analog to digital (ADC) output bits for one or more MAC PEs. Dynamic control of ADC output bit precision may be based on precision information determined during training and/or post-training (e.g., quantization) of an artificial intelligence (Al) neural network (NN) model implemented by the neural processor. Precision information may include a range of dynamic precision for each of a plurality of nodes of a computation graph for the Al NN model.

* MACs are the junk food of artificial intelligence.
look
 

Tothemoon24

Top 20

Nice to see the mighty chip recognised this week amongst some giants of the tech world .

Great publicity

ITDigest’s Weekly News Roundup Featuring Vmware, IBM,BlackBerry, BrainChip, WiMi and more​

Posted byBy News Desk6 Min Read

news

Here is IT Digest’s weekly roundup of the top news from global markets. In this fast-paced world, breaking down information helps readers grasp the nuances that follow the news.
In Hardware and Network news this week…

VMware Named a Leader in the 2023 Gartner Magic Quadrant for SD-WAN for the Sixth Year in a Row

VMware, Inc. announced that it has been positioned by Gartner, Inc. as a Leader in the 2023 Gartner Magic Quadrant for SD-WAN—marking it the sixth consecutive year VMware has been named a Leader in the report.
In Business Technology news this week…

EY and IBM launch artificial intelligence solution designed to help increase productivity and drive efficiencies within HR

The EY organization and IBM announced the launch of EY.ai Workforce, an innovative HR solution that helps enable organizations to integrate artificial intelligence (AI) into their key HR business processes. This marks a pivotal next step in the collaboration between the companies and a significant milestone in the role of AI increasing productivity within the HR function.
In Cloud Computing news this week…

BlackBerry partners with ServiceNow to automate IT operations

BlackBerry Limited announced that it has partnered with ServiceNow, a leading digital workflow company, to automate the management of devices for businesses. The solution, which integrates ServiceNow Flow Designer and BlackBerry UEM , will help reduce administrative burdens on IT teams for the most common device management tasks, while maintaining the highest levels of security.
In Artificial Intelligence news this week…

BrainChip and Circle8 Clean Technologies/AVID Group Work to Reduce and Recycle Waste Through Joint Development of Intelligent ‘Smart Bins’

BrainChip Holdings Ltd, the world’s first commercial producer of ultra-low power, fully digital, event-based, neuromorphic AI IP, announced that it has entered into a strategic partnership with Circle8 Clean Technologies and AVID Group to develop “Smart Bins” that can automatically sort and recycle different types of waste through a combination of AI-powered sensors and robotics.
In Computer Science news this week…

WiMi Developed Interactive Virtual Reality Simulation Digital Media System

WiMi Hologram Cloud Inc, a leading global Hologram Augmented Reality (“AR”) Technology provider, announced that an interactive virtual reality simulation digital media system is developed, which utilizes a variety of technical means, such as virtual reality technology, sensor technology, computer graphics and artificial intelligence, to construct a realistic virtual scene, and through the user’s personal movements, eye tracking and gesture recognition, so that the user can carry out interactive operations in the virtual environment, the system has a high degree of participation and interactivity, which provides the user with a more vivid and intuitive visual, auditory and tactile experience.
In FinTech news this week….

Galileo is the first to obtain multi-market Mastercard certification in Latin America

Galileo Financial Technologies, LLC , a leading financial technology company owned and operated independently by SoFi Technologies, Inc, announced that it has received certification Mastercard to provide services simultaneously in five new Latin American countries.
In HealthTech news this week…

Wolters Kluwer Health Language Platform to Maximize the Value of Health Data for Organizations Using Microsoft Azure

The healthcare industry generates approximately 30% of the world’s data volume.i Unfortunately, this data is often coded using a varied number of coding systems which makes it difficult to consolidate, standardize and deduplicate data for continuity of care, analytics, and AI applications. Wolters Kluwer Health announces its Health Language Platform, a FHIR Terminology Server that will work with Microsoft Azure Health Data Services FHIR service to help customers enrich and standardize their healthcare data with medical ontologies on Microsoft Azure. Wolters Kluwer Health Language Platform enables customers to leverage its foundational expertise and sophisticated, proven abilities to transform disparate, messy healthcare data into clean, standardized, and interoperable data and insights.
In Information and Communications news this week…

Hackensack Meridian Health’s Cloud and Data Modernization with Google Cloud Enhances Patient Care and Drives Innovation

 
  • Like
  • Fire
  • Love
Reactions: 51 users

rgupta

Regular
Let's face it, there are very potential announcements or even "explosive revenue" like announcements which could catapult the sp to 5 dollars in a day!, and if revenue is at the very least consistent over 4 quarters let alone increasing... we could hit 10dollars with today's crazy PE ratios in 2 years.
(Rambling optimistic opinion alert ⚠️ 📢)
I think we can reach as good as $546000 per share by the end of 2023.
There is no limit to imagination but reality is much different and we are still at 19 cents and 95% of long term holders are in loss. There is no end to speculations. Let us discuss the merits and donot try to tell anyone what could be the price. Price is reflection of performance and as far as asx is concerned brainchip is failing miserably.
You show me a single positive commercial announcement by brn since inception of Sean.
The only positive announcement in last two years is launch of akida 2000 IP and availability of akida 1500. But other than that revenue is almost nil and there is no other announcement through asx.
Dyor
 
  • Like
Reactions: 4 users

Sam

Nothing changes if nothing changes
I think we can reach as good as $546000 per share by the end of 2023.
There is no limit to imagination but reality is much different and we are still at 19 cents and 95% of long term holders are in loss. There is no end to speculations. Let us discuss the merits and donot try to tell anyone what could be the price. Price is reflection of performance and as far as asx is concerned brainchip is failing miserably.
You show me a single positive commercial announcement by brn since inception of Sean.
The only positive announcement in last two years is launch of akida 2000 IP and availability of akida 1500. But other than that revenue is almost nil and there is no other announcement through asx.
Dyor
 

Attachments

  • 51E41D65-CE44-48BC-B603-9FF224F791BF.gif
    51E41D65-CE44-48BC-B603-9FF224F791BF.gif
    1.3 MB · Views: 171
  • Haha
  • Like
Reactions: 6 users

Labsy

Regular
I think we can reach as good as $546000 per share by the end of 2023.
There is no limit to imagination but reality is much different and we are still at 19 cents and 95% of long term holders are in loss. There is no end to speculations. Let us discuss the merits and donot try to tell anyone what could be the price. Price is reflection of performance and as far as asx is concerned brainchip is failing miserably.
You show me a single positive commercial announcement by brn since inception of Sean.
The only positive announcement in last two years is launch of akida 2000 IP and availability of akida 1500. But other than that revenue is almost nil and there is no other announcement through asx.
Dyor
Did my post make you sweat?...... I wonder why... hmmmm 🤔🤐
 
  • Haha
  • Like
Reactions: 10 users

rgupta

Regular
Did my post make you sweat?...... I wonder why... hmmmm 🤔🤐
actually it makes me angry. The sp has gone down more than 90% from all time high, down 70% this year, down 35% in last one month and you are talking about 5000% jump in a year and how will all that happen? As a matter of fact over enthusiasm is putting every long term holder including me into big red. Let us try to stand and walk before thinking about running. Right now every holder is trying to manage their losses. Yes a positive change is expected that is why a lot of us are holding and still buying but without a revenue stream same is not happening. So let us project as per the prospectus.
 
  • Like
Reactions: 8 users

Sam

Nothing changes if nothing changes
actually it makes me angry. The sp has gone down more than 90% from all time high, down 70% this year, down 35% in last one month and you are talking about 5000% jump in a year and how will all that happen? As a matter of fact over enthusiasm is putting every long term holder including me into big red. Let us try to stand and walk before thinking about running. Right now every holder is trying to manage their losses. Yes a positive change is expected that is why a lot of us are holding and still buying but without a revenue stream same is not happening. So let us project as per the prospectus.
22.5% up in a week though, some people are bullish others are bearish, let the bulls bull mate😂
 
Last edited:
  • Like
  • Love
Reactions: 8 users

GazDix

Regular
Is it me or is every man and their dog making alleged “AI” chips 🙄🙄🙄…..

Feels like a desperate need stay relevant for a known big software company to say they are now making “Their own AI chips”

“AI chip” term being tossed around like the footy in the last 30 seconds of an NRL grand final!

It does piss me off a fair bit as the general business community will take it as accepted face value that it is some true breakthrough AI chip from these known big IT brands when it may well just be lipstick on a pig. The business community then just buy it up on mass, just due to brand which is annoying if it really is a chip with some sexy algos.

Time will hopefully tell all.
Hi Fastback6666,

You make a very good point about the competition (potential or real).

Even if Microsoft for example can create and use inferior AI, if the usecase is nice and quickly adapted by the masses, then they will have a very significant advantage just like the BETA v. VHS example.

I have no doubt our Brainchip will lead/penetrate the Edge AI market to make us all very happy shareholders, but I long for the business to consumer market as there is an opportunity there. Business to business is where we will dominate with our tech, but I wonder if we can crack the consumer market just in Australia by partnering with a small local company and releasing an intelligent neuromorphic doorbell that can recognise entrants and automatically open doors etc? Also be great brand potential etc.

From little things, big things grow as Paul Kelly said.

Although this is unlikely. Since Hehir came on board the whole focus is very serious with Ken the robot image sort of scrapped, T-shirt sales not repeating itself and unlikely to have back to back ANNs again (loved that Xmas). But I am all good anyway seeing playing the long game will increase our value over time.
 
  • Like
Reactions: 16 users

The Pope

Regular
I think we can reach as good as $546000 per share by the end of 2023.
There is no limit to imagination but reality is much different and we are still at 19 cents and 95% of long term holders are in loss. There is no end to speculations. Let us discuss the merits and donot try to tell anyone what could be the price. Price is reflection of performance and as far as asx is concerned brainchip is failing miserably.
You show me a single positive commercial announcement by brn since inception of Sean.
The only positive announcement in last two years is launch of akida 2000 IP and availability of akida 1500. But other than that revenue is almost nil and there is no other announcement through asx.
Dyor
Gees rgupta. You really sound like a sad sack and would be very hard to hang around. All the best and hope the doctor can extract that negativity out of you know where. At the least have a good weekend.

Cheers
The pope
 
  • Like
  • Haha
Reactions: 27 users

Dallas

Regular
 
  • Like
  • Fire
  • Thinking
Reactions: 20 users

Dallas

Regular
Fords autonomes Fahrsystem „Hands-off, Eyes-on“.
Das BlueCruise-System soll den Fahrern sowohl Komfort als auch Bequemlichkeit bieten und ihre Fahrzeuge grundsätzlich sicherer machen. Das Auto ist mit einer auf den Fahrer fokussierten Kamera ausgestattet, die die Aufmerksamkeit des Benutzers analysiert, indem sie dessen Blick und Kopfposition überwacht. Erweist sich der Fahrer als unkonzentriert oder unaufmerksam, übernimmt das Auto die Kontrolle.

Die intelligente adaptive Geschwindigkeitsregelung kombiniert Geschwindigkeitszeichenerkennung und adaptive Geschwindigkeitsregelung, um die erforderliche Geschwindigkeit zu überwachen und einen sicheren Abstand zum vorausfahrenden Fahrzeug sicherzustellen. Die Spurzentrierung von BlueCruise ist eine großartige Lösung, um die Position des Fahrers auf der Straße zu halten, indem die Spurmarkierungen überwacht und entsprechende Maßnahmen ergriffen werden.

BlueCruise wird mittlerweile in drei Ländern Europas angeboten und ist einer der Hauptvorteile für Besitzer von Ford-Elektrofahrzeugen. Erst Anfang 2023 wurde die Freigabe für die Lösung erteilt und der Rollout des ADAS-Systems begann. Das Unternehmen hat mittlerweile mehr als 260.000 mit BlueCruise ausgestattete Autos auf der Straße

https://www.boersennews.de/communit...wsShare&utm_medium=App&utm_campaign=Kommentar
 
  • Like
  • Fire
Reactions: 5 users

Dallas

Regular
  • Like
  • Fire
Reactions: 5 users
Top Bottom